|
I was playing around with the idea of installing electronic ignition on my 122 and came across this article on TB:
http://forums.turbobricks.com/showthread.php?t=223087&page=4
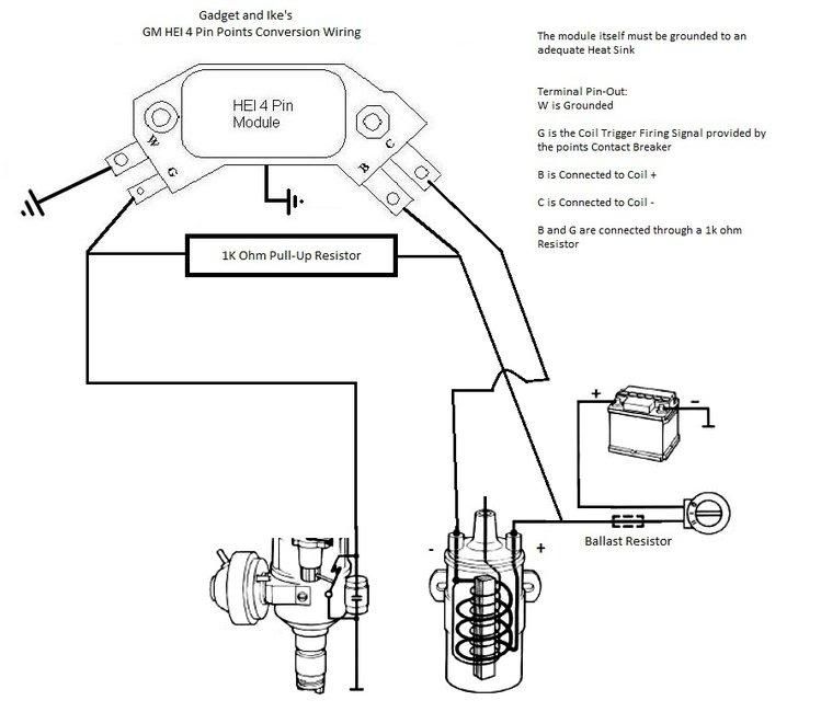
Which used a GM HEI ignition unit with the stock 122 point system:

I know how a Bosch 0227100139 ignition unit works and thought I would try to see if it would work with the same principle as the HEI unit does (plus I had one of the Bosch units laying around):

So I got it put together and got it working (not sure were I want to mount it, so it's just rigged up on the pedal box):

Seems to work pretty good! I used the stock coil (the armour one), a 086 distributor (without hooking up the vacuum advance). Plan to use a little newer coil, but wanted to try the stock armour one first.
This setup should be able to work with any point setup, the 139 module is a smart unit (controls dwell), and leaves the point system in place as a backup (I did find that the timing does change between running the points directly to the coil and running them through the Bosch 139 Module).
I thought it was a good alterative to the other electronic ignition and maybe somebody might want to try it.
Paul
BTW-I didn't need to use the 1K ohms resistor like the HEI unit, and I used the tach output pin to run a LED to let me know the unit is pulsing.
|