|
Hey all!
Cleaning out the garage last week and stripped down a couple of pairs of struts from two 91 240 wagons. One had a set of green strut inserts, marked "Volvo," "1272125," and "JAPAN." These looked like new. The other pair had one blue insert marked "Volvo," 1272125," and "Germany," while the other was black and marked "Volvo," "6819141-14," and "Belgium." Both the blue and black inserts seemed pretty well shot (could compress the rods a couple of inches with little/no resistance, though the rebound resistance seemed OK).
Anyways, I tried to look these up in the VADIS Volvo parts catalog but came up empty. Were these all roughly equivalent? I tossed the blue and black inserts, but kept the newish green ones just in case. I figured that they might be better than some of the latest "Hecho in Mexico" offerings from Boge, etc. Have to admit I was surprised to see a Volvo part stamped "Japan."
Any thoughts, BTDTs?
Thanks in advance!
Steve A-
|
|
|
Hi Steve,
Try searching through Google. You come up with results.
Those part numbers are no longer available, and for some time, I guess, on the VADIS if a recent install DVD. I checked Tasca also. Though the 6819141 Rev 14 appears opt be a Volvo wiring kit on Tasca parts (I fat-fingered it?)?
http://www.matthewsvolvosite.com/tag/download-vadis
The green shocks are most likely Tokico, made in Japan. Green-green or green-blueish? (Apparently Monroe makes struts for the part number, also.)
http://www.tokico.biz/
These could be KYB-made in Japan, yet doubtful. Tokico were much sought after for 240 and other RWD Volvo models for a short time. Though Tokicko no longer builds anything for Volvo. Not ever seen KYB as green. Always white. Yet the new Excels are black and the GR-2s are now grey.
Maybe Tien? They do build competition suspension components for some Europa makes. Nothing for Volvo, now.
https://www.tein.co.jp/
The blue strut cartridge from Germany is made by Boge as OEM.
The Belgium-built black strut is probably made by Monroe as OEM for Volvo in Belgium. Monroe makes some good dampeners, so long as they are made in Belgium.
http://www.tenneco.com/our_brands/
http://www.monroe.com/en-US/about-monroe/Monroe-History
Sort of the Made in Germany Boge (you can't get in North America) versus the Made in Mexico Sachs "by Boge". (Though the Made in Mexico Sachs "by Boge" is holding up after some years on my 1990 240 red DL wagon.
Hope that helps. Curious, the green struts ... any other makers mark on them?
Thanks.
cheers,
B.
--
Jonathan Harshman Winters III: The Mightiest, Greatest, & Most Powerful North American Comedian & Comedic Actor in Perpetuity
|
|
|
B-
Thanks for your timely and thoughtful response. Lots to ponder there . . .
The Japanese ones are kind of a medium green; no other markings other than those I mentioned above. Judging by the metalwork and the finish they look like a pretty high-quality product. I'm hoping you're right, maybe made by Tokico.
FWIW, I ran a set of ipd-sourced Tokico gas-charged shocks and struts on our 83 245 GLT from late 1980s to mid-1990s (they were a cool metallic copper color). Really a nice set-up, pretty close to the current Bilstein HDs--and much nicer (less floaty) than the German-made Sachs Advantage units I put on another car about 10 years back.
Even compared to the Tokicos and Bilsteins, I'm still pretty impressed with Volvo's standard OEM shocks. They're not bad at all when matched with stock springs and bigger bars (either ipd or OEM turbo/GT units). Of course, if I could find a NOS set of DeCarbons that fit my '91 (as I had on my old 244Ti), I'd snap them up in a heartbeat! (I wonder how the new [yellow?] Konis would compare?).
Thanks again!
Steve A-
Oh, thanks too for the zero-mile info--it's been a big help on my daily driver (LH3.1 245)!
|
|
|
Hiya Steve A.,
That would be really cool to compare the rides of all these dampeners. I'd only heard rave reviews of the Tokico shocks when they were available. I'd not ever seen or ridden in a RWD Volvo that is or was Tokico-equipped. (Or if I did, I forget now.)
Volvo sourced mostly their range of dampeners from Boge of Germany (or Europa, generally). They had and have quite a range from purely hydraulic to gas charged. (Well beyond the Boge hydraulic, automatics, and Turbo Gas that used to be available in North America.
I have a set of Boge OEM Volvo-stamped rear gas charged shocks with built-in overload (or assist) springs I pulled off an '83 or '84 240 Turbo wagon about four or five years back. On my 1990 li'l red DL wagon now.
de Carbon was resurrected, yet no longer produced for Volvo. With the demise of Volvo in competition (and I guess the R-Sport group), even finding any NOS would be hard. I've seen them described in posts and threads on Volvo enthusiast site like our brickboared.com. Though about only on the European (again) Volvo sites.
I've heard only rave reviews on Koni, also. The last Koni catalogue I looked at shows Koni still builds for RWD Volvo. I had a set of orange or red adjustable hydraulic front struts on my now passed 1979 242 GT (grey market from Netherlands), just B21F and M46, though. I got it in 1989 in the US Midwest. Sometime later I found they were adjustable and cranked them all they way up. Matched them nicely with KYB rear Gas-A-Justs. (The KYB Gas-A-Justs were way, way firmer then. (Unlike what I bought in 2000.)
I've had these Boge by Sachs As "Sachs Advantage" strut cartridges, made in Mexico, and with a red sticker on them proclaiming them to be Boge Turbo Gas on my 1990 245 Dl wagon. Made in Mexico. Bought from iPd. (Don't blame iPd, they help us old import auto owners.)
Some i-net posts compare the Boge by Sachs "Super Touring" as "Boge Automatics". The Automatics are low-pressure gas charged. Dunno what "Super Touring" is like. Boge Automatics, at least rear shocks, would click as they were getting long in the tooth.
I do remember Made in Germany Sachs clutch kits for RWD Volvo, though, and install them. They seemed of excellent design and build.
I've installed real Made in Germany Boge Turbo Gas in the 80s and 90s. I'm sure you have also. Worlds apart from the Made in Mexico "Super Toruing". These were easy to compress and slow to rebound. They feel like purely hydraulic and are floaty. Yet after five years they've been solid.
I found a set of front strut orange de Carbons made in the early 1990s in an 84' 240 turbo sedan or wagon. They still have charge, yet they are old. They also won't fit the shorter later 240 strut tubes, when they became shorter inside with big square headlights and B230 changes. The the same way Bilstein HD won't fit inside these 1986-88 and later front strut tubes.
I hope they are better now, yet the Sachs by Boge Made in Mexico "Sachs Advantage" gland nuts that came in the box from iPd were useless when installing on the 1990 240 wagon in like 2011 or so. I reused the 30-year old made in Germany Boge glad nuts. I let iPd know. The German steel is so much better. You could tap the German steel gland nuts and they make a pure, clear chime sound.
Else, as an alternative, I put (still Made in Germany) Bilstein Touring on my green 240. Perfect fit and the ride is nice. I have a set of 175 65 R14 tires I got off craigslist on a set of Corona alloy wheel. The wheel are corroded and one wheel is bent. The tires were unused, yet defective as they were badly made. I want the good old 14" steelies and some used Michelin or Conti tires. I'm tired of alloy wheels. They can cause corrosion after many years inside and around the carbon-steel hub parts, as they have on this 92 green 240.
If you want Made in Germany Boge, you may have to go to Volvo, if they are still available anymore.
I forget the zero-mile info you mention. Glad to help. I'll look it up.
It would be swell if you could find some sort of Maker's Mark on them green strut cartridges. I'll see what I can find through google. I did not spend too much time looking. Could record an image and post it through the brickboard.com BrickPix through your account. There is no size limit though the image may need to be under 1024 kilobytes (one megabyte), or use your gave image hosting service and paste the img src link they provide you.
A beautiful 240 wagon you have there!!!!!
My wagon is all denty and faded and rusty. I hope to have a large garage for them all, with room to spare, to complete the mechanical restore and treat the rust.
Sorry to go on so long, I see now. Oooop!
Happy Sundae!
Bruce C.
--
Jonathan Harshman Winters III: The Mightiest, Greatest, & Most Powerful North American Comedian & Comedic Actor in Perpetuity
|
|
|
Bruce,
Thanks again for taking the time to teach this stuff--I appreciate it! I also appreciate the kind words about my old 83 GL wagon--FWIW, thats an old pic; I think it still had the Tokicos and ipd's sport springs on it at that point (1995 or so).
I really meant to take some pictures of the green strut inserts but forgot, and now it's too late. They went into my son's '91 245 on Saturday. I was replacing the strut mounts (OEM) and decided to take a look at the inserts "while I was in there." The ones on his car ("blue," "Germany," same PN as above) were pretty floppy after 200+K, so I put the green ones in . . . . I had the car buttoned back up again before I remembered the camera. Sorry about that.
One of these days I'll have to check my duty/daily driver ('91 245 with the LH3.1). I'm pretty sure the shocks and struts are original. It just turned over 180K miles today, so will likely be looking at shocks and strut inserts soon. I'll let you know if I find any green ones in there.
Not sure what I'll use on that car. I have Bilstein HDs on the 83, but as you noted, fitting them on the newer cars can be problematic. I've heard good things about the Bilstein touring strut inserts, but seem to remember hearing that the rears are noisy--something to do with the mounting holes (shackles)? Do you know if that's still the case--and if so, if there's a fix/solution?
I may have an opportunity to help a friend do the strut mounts/inserts and rear shocks on his 1982 244T (he's going to use Bilstein touring). I'll be curious to see what's currently on his car.
Thanks again for the sage advice!
Steve A-
|
|
|
Hi Steve A.,
Please, no need to apologize or say sorry.
Getting solid strut cartridges in your son's car, and doing the work with your son, is waaaaaaaay more important.
That is a nice image. iPd sport springs for 240? Recent or the older TME Made in Sweden springs iPd used to sell. I have the TME springs on 1991, that continues to sit outside and rot (no garage). I mean to install the original front springs and rear wagon or HD or overload on the rear. (23mm stabilizer bars front (Turbo 240) and rear (79 242 GT) on the 1991. I put 23 mm front Turbo 240 bars on both the 92 sedan [with rear wagon 240 springs] and on the 1990 240 li'l red wagon.)
Actually, I'll say sorry and apologies for going on so long so at length or doing the info overload using sloppily-ordered prose. Maybe I'll keep it AP style?
Nope, no noise with the Bilstein Touring dampeners on 240. (At least on my 1992 240 GL.) A snap to install (well, with them spring compressors, carefully!) front and rear and the gland nut that comes with the Bilstein Touring torques down just fine. The rattling issue was how the inside diameter of the upper mount was larger than the outside diameter of the on-body stud to which the rear shock secures. Not had the problem. Not encountered it on so-equipped other autos. Some complaints on the BMW or VW or Audi boards some years ago? Yet did not ever encounter it or such make / model owners complaining. Also, no complaint from the Euro import auto parts houses. People like the Bilstein Touring.
Yes, good to use the Volvo OEM strut mount. The center bearing may be made in Spain. The bushing assembly may and should still me marked as Boge (Made in Germany Boge.)
Under the dust cap that covers and seals out the weather from the inside of the strut mount ... apply some silicon synthetic grease like SuperLube NLGI-2 so you ensure the bearing lubrication. Don't use hydrocarbon grease as it deteriorates the rubber bushing material.
Yeah, with the modern Bilstein Touring strut cartridge in an 1982 strut tube ... you may need the the spacer or seat (Volvo PN 1229423) at the bottom of the strut tube. I sort of doubt it, yet see here:

I forget as the de Carbon and other front strut cartridge inserts were shorter as the factory front 240 Turbo springs were shorter (the Turbo 240 set a little lower than normally aspirated / non turbo 240). Or if the strut tube is actually longer, so the Bilstein Touring gland nut won't take up torque on the top of the strut tube cartridge.
Tasca Parts lists it as discontinued.
http://www.tascaparts.com/oe-volvo/1229423
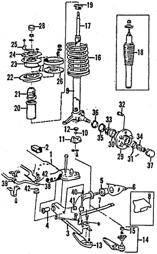
See #12 in the diagram:

If any fix? Verify the hardware is properly seated and torqued. I use a heavy washer that is the same ID at the upper rear shock shackle on the exterior side, under the nut. Sometimes I'd encounter no washer under the nut like at junkyards. Without a washer, you may let ambient moisture in and get rust. I also seal the top rear shock anchor with under coating.
See number 18 in the diagram? Those are the Turbo 240 front strut boots. Below the nut is what is called a washer the strut boot bellow hangs on.
The lower shock mount has the little carbon-steel tube through which the bolt passes as well as the lower shock mount. I remove any rust, even light surface rust, on the inside of that little steel tube and the outside of the large, long bolt. Without getting any on the bolt and nut thread (though I always do), I slather some NLGI-2 wheel bearing grease, preferably a synthetic silicon grease like SuberLube, and tighten hardware.
Likes the LH-Jetronic 3.1. Super low emissions, a real fuel sipper, yet a sprightly response. I know it is rated the same as a LH Jet-2.4 equipped, without EGR, and M47 II. Yet the LH Jet-3.1 has more of something you want. Makes for a sprightly 240. Like to convert this rotting 1991 with LH Jet 2.4/EZK 116 with EGR to paired LH-Jet 3.1 / EZK 116 wire harness. I have the bits to convert to paired LH-Jet 2.4 / EZK 116 without EGR with easy connector end wire repositioning, someday.
I say they rot as I still have no garage. Not a dignified way for a 240 to go, rotting from the weather.
Went on too long, again. Sorry. Dunno if I give sage advice. I'll miss a detail or two often enough. Like with power windows a post or two ago. Forgot to mention wire harness damage at the doors and how the power window buttons can fail from contact-spark deposits from operator activation. Switch rebuild, with DeoxIT or, again, the SuperLube silicon grease. Both are dielectric and inhibit corrosion. Yet DeoxIT melts corrosion, also.
Hope that helps you. I tend to go on about all thing rear wheel drive Volvo. You should hear me when not hanging out down by the brickboard.com.
Awaiting the Next Tech Writer Gig, what MacDuff? (Don't bomb the interview again. Maybe some enduring tech writer gigs in the Virginias or Carolinas?)
--
Jonathan Harshman Winters III: The Mightiest, Greatest, & Most Powerful North American Comedian & Comedic Actor in Perpetuity
|
|
|
|
|