Click on the picture image to send the IMAGE URL back to the referring screen.

Sort by:

Display by picture type:  [CARS(default)]  [PERSONAL]  [TECHNICAL]  [CLASSAD]  [STANDBYV]


Welcome to the gallery. All exhibits are volunteered by users.

There are 14003 total exhibits.

[ADD A NEW EXHIBIT]

Search criteria: pix_type=TECHNICAL. [CLEAR]
Showing 1481 through 1500 of 14003 matching exhibits.
<< <prev 70 71 72 73 74 75 76 77 78 79 80 81 82 83 84 85 86 87 88 89 90 next> >>

940 transmission pan mystery piece

Volvo 900 -- 940 transmission pan mystery piece
POSTED BY
945Lena[SHOW ALL]
DATE
HTML
STATE
NC
COUNTRY
US
NOTE
Found attached to magnet in transmission pan

Unknown part found in 854T glovebox

Volvo 850 -- Unknown part found in 854T glovebox
POSTED BY
Thom[SHOW ALL]
DATE
HTML
STATE
CT
COUNTRY
US
NOTE
Found this in the glovebox when we got the car. I don't know what it is or if it even belongs to the 850.

940 part metal heater control valve

Volvo  -- 940 part metal heater control valve
POSTED BY
javalion[SHOW ALL]
DATE
HTML
STATE
NC
COUNTRY
US

SU Filters

Volvo 120-130 -- SU Filters
POSTED BY
RepairmanJack[SHOW ALL]
DATE
HTML
CITY
Saint Louis
STATE
MO
COUNTRY
US

Heater Valves for the 7/9 Series

Volvo 900 -- Heater Valves for the 7/9 Series
POSTED BY
RepairmanJack[SHOW ALL]
DATE
HTML
CITY
Saint Louis
STATE
MO
COUNTRY
US
NOTE
Heater Valves OEM Original/ScanTech/OEM Replacement.

PV hood ornament

Volvo  -- PV hood ornament
POSTED BY
63P210[SHOW ALL]
DATE
HTML
COUNTRY
US

K-Jet CPR blow apart

Volvo 200 -- K-Jet CPR blow apart
POSTED BY
drj434343[SHOW ALL]
DATE
HTML
CITY
Lake Oswego
STATE
OR
COUNTRY
US

Part # 112 "joint"

Volvo 200 -- Part # 112 "joint
POSTED BY
squeak[SHOW ALL]
DATE
HTML
COUNTRY
US

Timing Belt Tightening

Volvo 700 -- Timing Belt Tightening
POSTED BY
chrism[SHOW ALL]
DATE
HTML
STATE
TX
COUNTRY
US
NOTE
Turn the crank just a smidge clockwise to make sure the belt is slack on the tensioner side.

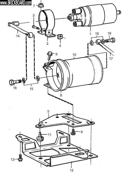
feed line

Volvo  -- feed line
POSTED BY
aleekat[SHOW ALL]
DATE
HTML
CITY
clarksville
STATE
TN
COUNTRY
US

Volvo fuel cradle

Volvo  -- Volvo fuel cradle
POSTED BY
aleekat[SHOW ALL]
DATE
HTML
CITY
clarksville
STATE
TN
COUNTRY
US

Sunroof part (maybe?) for 240 sedan 1990

Volvo 200 -- Sunroof part (maybe?) for 240 sedan 1990
POSTED BY
Strackerjack[SHOW ALL]
DATE
HTML
CITY
Columbus
STATE
OH
COUNTRY
US
NOTE
I can't remember if I took this part off of the sunroof or not when removing the sunroof for painting. Now 6 weeks later I am trying to reassemble sunroof to car and I can't figure out where this goes???

Broken B+ Cable

Volvo C70 -- Broken B+ Cable
POSTED BY
RepairmanJack[SHOW ALL]
DATE
HTML
CITY
Saint Louis
STATE
MO
COUNTRY
US
NOTE
Apparently, the reason why my alternator stopped charging the car...

Caliper Wheel Rub

Volvo 120-130 -- Caliper Wheel Rub
POSTED BY
Andy_M[SHOW ALL]
DATE
HTML
CITY
Scottsdale
STATE
AZ
COUNTRY
US

Caliper Wheel Rub

Volvo 120-130 -- Caliper Wheel Rub
POSTED BY
Andy_M[SHOW ALL]
DATE
HTML
CITY
Scottsdale
STATE
AZ
COUNTRY
US

66 122 Local (low-Key) Car Show

Volvo 120-130 -- 66 122 Local (low-Key) Car Show
POSTED BY
Andy_M[SHOW ALL]
DATE
HTML
CITY
Scottsdale
STATE
AZ
COUNTRY
US

240 - Breather Box replacement

Volvo 200 -- 240 - Breather Box replacement
POSTED BY
USMA[SHOW ALL]
DATE
HTML
CITY
Darien
STATE
CT
COUNTRY
US
NOTE
After removing noticed crank in corner.

Bella

Volvo 850 -- Bella
POSTED BY
mbliss[SHOW ALL]
DATE
HTML
CITY
Forest Grove
STATE
OR
COUNTRY
US
NOTE
Quick connect fuel line tool

Bella

Volvo 850 -- Bella
POSTED BY
mbliss[SHOW ALL]
DATE
HTML
CITY
Forest Grove
STATE
OR
COUNTRY
US
NOTE
Quick connect fuel line insert

700 Turbo Distributor Order

Volvo 700 -- 700 Turbo Distributor Order
POSTED BY
740_dan[SHOW ALL]
DATE
HTML
CITY
Portland
STATE
OR
COUNTRY
US
NOTE
740 Turbo distributor spark plug wire order. Cylinder 1 is closest to front of car and counts 2, 3, 4 to firewall.
Search criteria: pix_type=TECHNICAL. [CLEAR]
Showing 1481 through 1500 of 14003 matching exhibits.
<< <prev 70 71 72 73 74 75 76 77 78 79 80 81 82 83 84 85 86 87 88 89 90 next> >>


©Jarrod Stenberg 1997-2022. All material except where indicated.


All participants agree to these terms.

Brickboard.com is not affiliated with nor sponsored by AB Volvo, Volvo Car Corporation, Volvo Cars of North America, Inc. or Ford Motor Company. Brickboard.com is a Volvo owner/enthusiast site, similar to a club, and does not intend to pose as an official Volvo site. The official Volvo site can be found here.