Click on the picture image to send the IMAGE URL back to the referring screen.

Sort by:

Display by picture type:  [CARS(default)]  [PERSONAL]  [TECHNICAL]  [CLASSAD]  [STANDBYV]


Welcome to the gallery. All exhibits are volunteered by users.

There are 14003 total exhibits.

[ADD A NEW EXHIBIT]

Search criteria: pix_type=TECHNICAL. [CLEAR]
Showing 61 through 80 of 14003 matching exhibits.
<< <prev 1 2 3 4 5 6 7 8 9 10 11 12 13 14 15 16 17 18 19 next> >>

HF fuse tester-2

Volvo 900 -- HF fuse tester-2
POSTED BY
B.B.[SHOW ALL]
DATE
HTML
COUNTRY
US

HF fuse circuit tester-1

Volvo 900 -- HF fuse circuit tester-1
POSTED BY
B.B.[SHOW ALL]
DATE
HTML
COUNTRY
US

Volvo xc70/crankshaft pulley marking

Volvo  -- Volvo xc70/crankshaft pulley marking
POSTED BY
muskox37[SHOW ALL]
DATE
HTML
CITY
PARKSVILLE
COUNTRY
CA

Volvo xc70/camshaft gear marking

Volvo  -- Volvo xc70/camshaft gear marking
POSTED BY
muskox37[SHOW ALL]
DATE
HTML
CITY
PARKSVILLE
COUNTRY
CA

Voltage drop chart to determine current flow in fuses

Volvo 900 -- Voltage drop chart to determine current flow in fuses
POSTED BY
B.B.[SHOW ALL]
DATE
HTML
COUNTRY
US
NOTE
Download chart here for Volvo ATC/ADO blade fuses: https://m.roadkillcustoms.com/wp-content/technical-pdf/Standard%20ATC%20Fuse%20Voltage%20Drop%20Chart.pdf

Main Fuse Box

Volvo  -- Main Fuse Box
POSTED BY
Robert S.[SHOW ALL]
DATE
HTML
STATE
CA
COUNTRY
US
NOTE
2000 V70 SE NA Denso AW-5

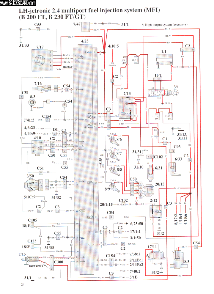
B230FT MFI

Volvo 900 -- B230FT MFI
POSTED BY
B.B.[SHOW ALL]
DATE
HTML
COUNTRY
US

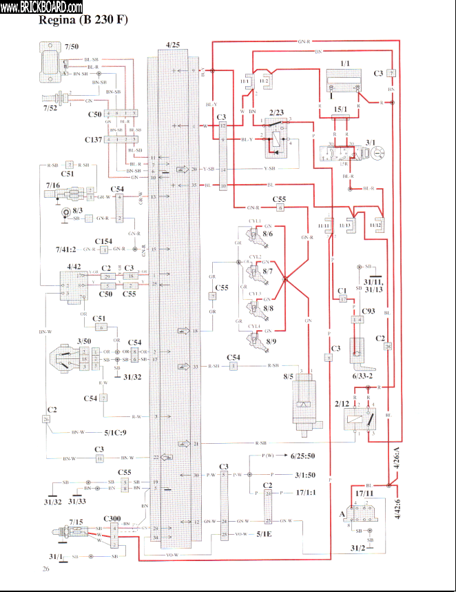
Regina fuel MFI

Volvo 900 -- Regina fuel  MFI
POSTED BY
B.B.[SHOW ALL]
DATE
HTML
COUNTRY
US

Sunroof Weather Strip 1of 3 pages

Volvo 200 -- Sunroof Weather Strip 1of 3 pages
POSTED BY
81242DLB21FCA[SHOW ALL]
DATE
HTML
CITY
San Francisco
STATE
CA
COUNTRY
US

Refill old oil cans 1

Volvo  -- Refill old oil cans 1
POSTED BY
B.B.[SHOW ALL]
DATE
HTML
COUNTRY
US

Refill old oil cans 1

Volvo  -- Refill old oil cans 1
POSTED BY
B.B.[SHOW ALL]
DATE
HTML
COUNTRY
US

850 jacking rear suspension

Volvo 850 -- 850 jacking rear suspension
POSTED BY
spudtu[SHOW ALL]
DATE
HTML
CITY
Lexington
STATE
MA
COUNTRY
US
NOTE
Question: is this jacking point the equivalent of supporting the spring pan? These jacking points are shown for demonstration purposes only and are in no way the recommended or safe method of supporting the car.

Volvo Service Bulletin for 240 sunroof seals install

Volvo  -- Volvo Service Bulletin for 240 sunroof seals install
POSTED BY
81242DLB21FCA[SHOW ALL]
DATE
HTML
CITY
San Francisco
STATE
CA
COUNTRY
US
NOTE
Volvo Service Bulletin for 240 sunroof seals install

Volvo Service Bulletin for 240 sunroof seals install

Volvo 200 -- Volvo Service Bulletin for 240 sunroof seals install
POSTED BY
81242DLB21FCA[SHOW ALL]
DATE
HTML
CITY
San Francisco
STATE
CA
COUNTRY
US
NOTE
Volvo Service Bulletin for 240 sunroof seals install

Volvo 740

Volvo  -- Volvo 740
POSTED BY
travis873o[SHOW ALL]
DATE
HTML
CITY
Knoxville
STATE
TN
COUNTRY
US

2000 V70 SE Fuse Panel

Volvo  -- 2000 V70 SE Fuse Panel
POSTED BY
Robert S.[SHOW ALL]
DATE
HTML
STATE
CA
COUNTRY
US
NOTE
Auxiliary Fuses #6 Central Locking #10 (Remote Keyless Entry)

Volvo xc70/crankshaft sprocket

Volvo  -- Volvo xc70/crankshaft sprocket
POSTED BY
muskox37[SHOW ALL]
DATE
HTML
CITY
PARKSVILLE
COUNTRY
CA

xc70/camshaft gear marking

Volvo  -- xc70/camshaft gear marking
POSTED BY
muskox37[SHOW ALL]
DATE
HTML
CITY
PARKSVILLE
COUNTRY
CA

Instrument Tag

Volvo 200 -- Instrument Tag
POSTED BY
81242DLB21FCA[SHOW ALL]
DATE
HTML
CITY
San Francisco
STATE
CA
COUNTRY
US
NOTE
This tag slipped out from the edge of one of the main instruments in my '81 242DL. Not sure which. Can anyone tell the tag means?

P210 Duett Rear Leaf Spring

Volvo  -- P210 Duett Rear Leaf Spring
POSTED BY
qwerty[SHOW ALL]
DATE
HTML
CITY
Hamilton,ON
COUNTRY
CA
Search criteria: pix_type=TECHNICAL. [CLEAR]
Showing 61 through 80 of 14003 matching exhibits.
<< <prev 1 2 3 4 5 6 7 8 9 10 11 12 13 14 15 16 17 18 19 next> >>


©Jarrod Stenberg 1997-2022. All material except where indicated.


All participants agree to these terms.

Brickboard.com is not affiliated with nor sponsored by AB Volvo, Volvo Car Corporation, Volvo Cars of North America, Inc. or Ford Motor Company. Brickboard.com is a Volvo owner/enthusiast site, similar to a club, and does not intend to pose as an official Volvo site. The official Volvo site can be found here.