Click on the picture image to send the IMAGE URL back to the referring screen.

Sort by:

Display by picture type:  [CARS(default)]  [PERSONAL]  [TECHNICAL]  [CLASSAD]  [STANDBYV]


Welcome to the gallery. All exhibits are volunteered by users.

There are 14003 total exhibits.

[ADD A NEW EXHIBIT]

Search criteria: pix_type=TECHNICAL. [CLEAR]
Showing 2881 through 2900 of 14003 matching exhibits.
<< <prev 140 141 142 143 144 145 146 147 148 149 150 151 152 153 154 155 156 157 158 159 160 next> >>

B30 heads from 164s

Volvo 140-160 -- B30 heads from 164s
POSTED BY
walrus3[SHOW ALL]
DATE
HTML
CITY
Bartlesville
STATE
OK
COUNTRY
US
NOTE
This is a closeup of one of the heads - might be a B30E?

Two different B30F heads from 164s

Volvo 140-160 -- Two different B30F heads from 164s
POSTED BY
walrus3[SHOW ALL]
DATE
HTML
CITY
Bartlesville
STATE
OK
COUNTRY
US
NOTE
These are the two heads I'm comparing - Want to know if one is from an 8-bolt (74-75) engine.

B18

Volvo 120-130 -- B18
POSTED BY
wilburwright[SHOW ALL]
DATE
HTML
CITY
BATTLE CREEK
STATE
MI
COUNTRY
MIL
NOTE
BI8

P220 (122S Wagon) Rear

Volvo 120-130 -- P220 (122S Wagon) Rear
POSTED BY
RepairmanJack[SHOW ALL]
DATE
HTML
CITY
Saint Louis
STATE
MO
COUNTRY
US
NOTE
Volvo diagram of the rear of the P220

122 dash handle

Volvo 120-130 -- 122 dash handle
POSTED BY
wilburwright[SHOW ALL]
DATE
HTML
CITY
BATTLE CREEK
STATE
MI
COUNTRY
MIL
NOTE
found this really nice dash handle. at least I think that's what it is? or does it belong on an 1800 measures 5/8" post to post. gonna sell it need to know what it fits? thanks all. thanks for all the help with posting pics!

B18

Volvo  -- B18
POSTED BY
wilburwright[SHOW ALL]
DATE
HTML
CITY
BATTLE CREEK
STATE
MI
COUNTRY
MIL
NOTE
HOW CLOSE TO THE B18

Rear Bearings 122s

Volvo 120-130 -- Rear Bearings 122s
POSTED BY
RepairmanJack[SHOW ALL]
DATE
HTML
CITY
Saint Louis
STATE
MO
COUNTRY
US
NOTE
A photo of my spare rear bearings. Cone - 14132T Cup - 14276

Rusty 1800ES

Volvo 1800 -- Rusty 1800ES
POSTED BY
RepairmanJack[SHOW ALL]
DATE
HTML
CITY
Saint Louis
STATE
MO
COUNTRY
US
NOTE
A shot of the underside of my former 1800ES

LH/Regina fuel guage

Volvo  -- LH/Regina fuel guage
POSTED BY
hardknocks![SHOW ALL]
DATE
HTML
CITY
west palm beach
STATE
FL
COUNTRY
US

940 brake pads, front

Volvo 900 -- 940 brake pads, front
POSTED BY
hardknocks![SHOW ALL]
DATE
HTML
CITY
west palm beach
STATE
FL
COUNTRY
US

88 760turbo

Volvo 700 -- 88 760turbo
POSTED BY
Will740turbo[SHOW ALL]
DATE
HTML
CITY
Portland
STATE
OR
COUNTRY
US
NOTE
I'm not sure this is pierberg. I found this image on an ebay sale. It's a compressor blow-off valve.

Retaining 740 Tailgate inner panels

Volvo  -- Retaining 740 Tailgate inner panels
POSTED BY
Ron Kwas[SHOW ALL]
DATE
HTML
CITY
W Hartford
COUNTRY
US

M41 fitting problem

Volvo 120-130 -- M41 fitting problem
POSTED BY
nglasson221[SHOW ALL]
DATE
HTML
COUNTRY
NZ
NOTE
Left is the output flange from an M40 gearbox from my 1963 Amazon (with type 2 drive shaft). Right is the output flange from an M41 gearbox from a 1971 142E. How best to fit the earlier drive shaft to the later output flange?

Volvo-122-S Emblem

Volvo 120-130 -- Volvo-122-S Emblem
POSTED BY
RepairmanJack[SHOW ALL]
DATE
HTML
CITY
Saint Louis
STATE
MO
COUNTRY
US
NOTE
A quick snap of an old-style emblem I picked up for cheap. Trying to decide where/how to mount it, and if I should strip it to match my other emblems...

Correct brake shoe diagram

Volvo  -- Correct brake shoe diagram
POSTED BY
Moloko[SHOW ALL]
DATE
HTML
STATE
CA
COUNTRY
US

Gustav

Volvo 120-130 -- Gustav
POSTED BY
Moloko[SHOW ALL]
DATE
HTML
STATE
CA
COUNTRY
US
NOTE
Bad drum setup

Removing 1997 driver side airbag

Volvo 900 -- Removing 1997 driver side airbag
POSTED BY
volvo960brick97[SHOW ALL]
DATE
HTML

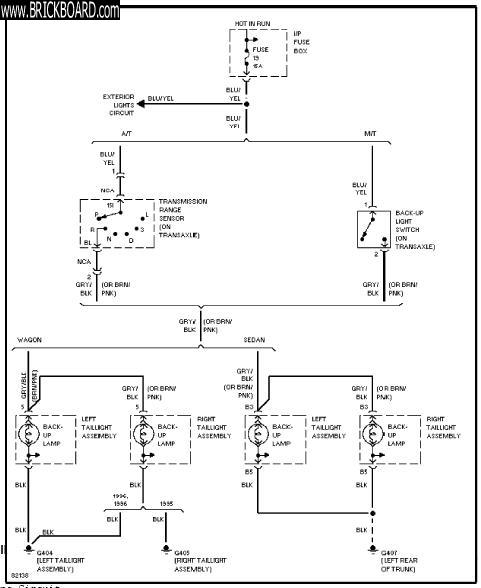
1997 960 backup light schematic

Volvo 900 -- 1997 960 backup light schematic
POSTED BY
volvo960brick97[SHOW ALL]
DATE
HTML

rear view sensors 960 (1997)

Volvo 900 -- rear view sensors 960 (1997)
POSTED BY
volvo960brick97[SHOW ALL]
DATE
HTML

B18 / B20 oil primer tool

Volvo  -- B18 / B20 oil primer tool
POSTED BY
Thom[SHOW ALL]
DATE
HTML
STATE
CT
COUNTRY
US
NOTE
3/8" rod w/ ends ground.
Search criteria: pix_type=TECHNICAL. [CLEAR]
Showing 2881 through 2900 of 14003 matching exhibits.
<< <prev 140 141 142 143 144 145 146 147 148 149 150 151 152 153 154 155 156 157 158 159 160 next> >>


©Jarrod Stenberg 1997-2022. All material except where indicated.


All participants agree to these terms.

Brickboard.com is not affiliated with nor sponsored by AB Volvo, Volvo Car Corporation, Volvo Cars of North America, Inc. or Ford Motor Company. Brickboard.com is a Volvo owner/enthusiast site, similar to a club, and does not intend to pose as an official Volvo site. The official Volvo site can be found here.