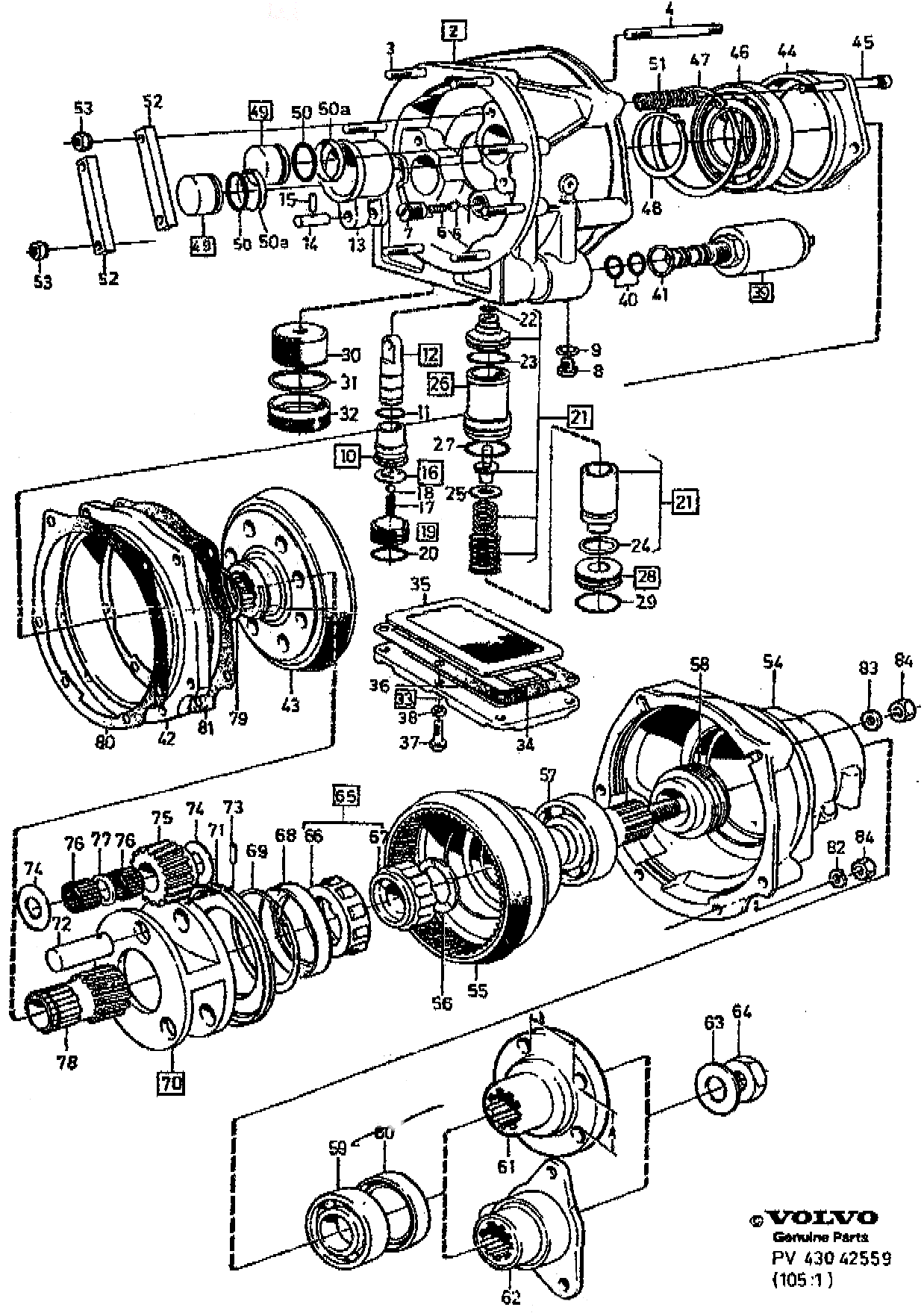
Overdrive Exploded Parts Diagram

M-46 Overdrive Exploded Parts Diagram PDF

FAQ Home



Volvo Maintenance FAQ for 7xx/9xx/90 Cars


M46 Overdrive

Volvo Maintenance FAQ for 7xx/9xx/90 Cars




 

©Jarrod Stenberg 1997-2014. All material except where indicated.



Brickboard.com is not affiliated with nor sponsored by AB Volvo, Volvo Car Corporation, Volvo Cars of North America, Inc. or Ford Motor Company. Brickboard.com is a Volvo owner/enthusiast site, similar to a club, and does not intend to pose as an official Volvo site. The official Volvo site can be found here.